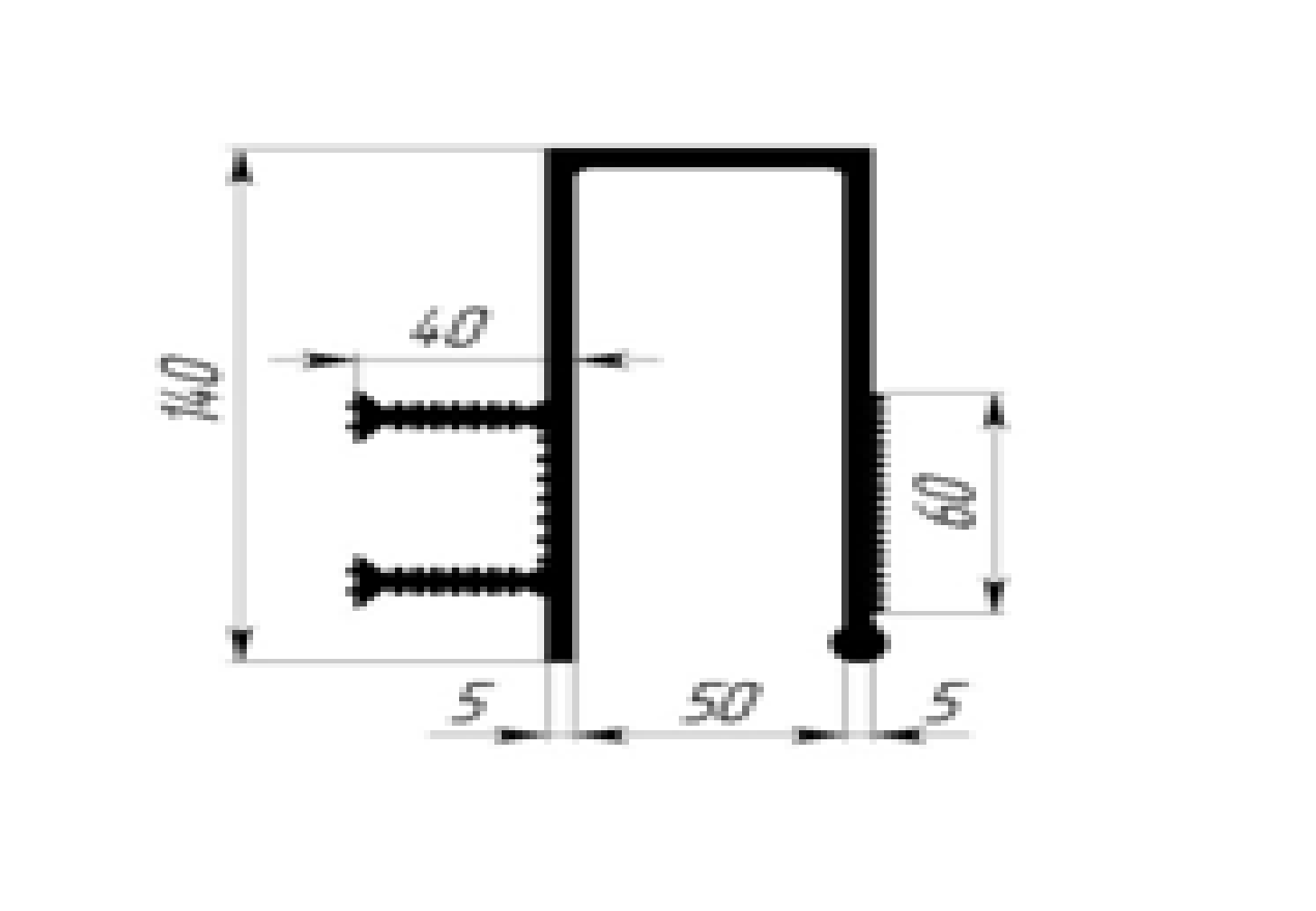
Гидрошпонка тип ДЗС-140/50-2/40 (деформационная п-образная, сопряж. к сущ.конст-м шир.50мм, ПВХ-П)
Артикул:
гкдзс14050240пвх
Гидроизоляционная шпонка тип ДЗС-140/50-2/40 (деформационная п-образная, для сопряжения к сущ.конструкциям шир.50мм, ПВХ-П) ТУ-5775-001-02476787-2016
Подробнее
Нашли дешевле?
Описание
Гидроизоляционная шпонка тип ДЗС-140/50-2/40 (деформационная п-образная, сопряж. к сущ.конструкциям шир.50мм, ПВХ-П) ТУ-5775-001-02476787-2016 применяется для герметизации деформационных швов в монолитных железобетонных конструкциях при новом строительстве гидротехнических, заглубленных и подземных сооружений при сопряжении новых конструкций с существующими конструкциями. При монтаже к существующим конструкциям необходимо использовать специализированные прижимные планки, герметизирующие ленты и анкеры, не входят в комплект поставки, приобретаются отдельно.
Порядок установки описан в следующих документах: Технологический регламент ТР 186-07
Порядок установки описан в следующих документах: Технологический регламент ТР 186-07
Характеристики
|
Производитель
|
Гидро-гарант |
|
Назначение
|
деформационные швы |
|
Материал
|
ПВХ-П |
|
Тип установки
|
Защитная |
Задать вопрос



