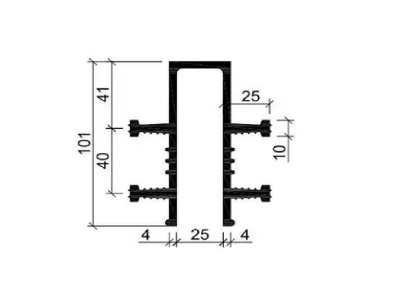
Гидрошпонка АКВАСТОП ДЗ-100/25-4/25 (деформационная п-образная шир.25мм, ЭПДМ резина)
Артикул:
асдз10025425эпдм
Гидроизоляционная шпонка АКВАСТОП ДЗ-100/25-4/25 (деформационная п-образная шир.25мм, ЭПДМ резина) ТУ 5772–001–58093526–11
Подробнее
Нашли дешевле?
Описание
Гидроизоляционная шпонка АКВАСТОП ДЗ-100/25-4/25 (деформационная п-образная шир.25мм, ЭПДМ резина) ТУ 5772–001–58093526–11 применяется для герметизации деформационных швов в монолитных железобетонных конструкциях при новом строительстве гидротехнических, заглубленных и подземных сооружений, в том числе сооружений метрополитена, транспортных, железнодорожных и гидротехнических тоннелей. Также может применяться для восстановления герметичности деформационных швов в существующих конструкциях.
Порядок установки описан в следующих документах: Технологический регламент ТР 186-07, СТО НОСТРОЙ 2.7.156-2014.
Порядок установки описан в следующих документах: Технологический регламент ТР 186-07, СТО НОСТРОЙ 2.7.156-2014.
Характеристики
|
Производитель
|
Аквабарьер |
|
Назначение
|
деформационные швы |
|
Материал
|
ЭПДМ резина |
|
Тип установки
|
Защитная |
Задать вопрос



